film_1
film_2
film_3
film_4
film_5
Aktualizováno: 19. 5. 2026 
 
 





TOPlist  
DE  EN  PL

Automatika skrytého nádraží „malého okruhu” dvoukolejné trati



Skryté nádraží „malého okruhu”   Skryté nádraží slouží k uschování souprav vlaků a jejich střídání na viditelné části kolejiště. Každá traťová kolej hlavní dvoukolejné trati má v tunelu skryté nádraží s kapacitou čtyř vlaků. Jednoduchá automatika skrytého nádraží umožňuje odjezd soupravy na širou trať a obsazení uvolněné koleje dalším vlakem čekajícím na vjezdu do skrytého nádraží. Skryté nádraží bylo postaveno jako první automatizovaný prvek, ještě v době stavby kolejiště s předpokládaným analogovým provozem. Jakmile bylo kolejiště digitalizováno, bylo skryté nádraží upraveno a byly ponechány pouze analogové prvky ovládající výstupy jako přestavníky nebo napájení srdcovek výhybek. Tato část se osvědčila a nemělo smysl ji nahrazovat digitálními relé. Funkci rozhraní ovládající tyto analogové prvky zajišťuje spínací modul 63410.

  Jak funguje skryté nádraží? Předpokládejme, že je plně obsazeno soupravami vlaků. Skupinové odjezdové návěstidlo 102 je na volno a na trať vyjíždí vlak z koleje 5. Vlak přijíždí k návěstidlu 110 a přejezdem senzorů LISSY přijímače 110 za sebou staví návěstidlo 102 na stůj. Tím je sděleno, že kolej 5 je volná. Zároveň je postaveno vjezdové návěstidlo 120 na volno. Vlak stojící u návěstidla 110 je odbaven už následující automatikou (nemusí zastavovat, může i projíždět) nebo může být z oddílu „odebrán” ručně ovladačem postavením návěstidla 110 na volno. Na kolej 5 přijíždí další souprava vlaku z trati. Přejezdem LISSY přijímače 13 (senzoru 1) za sebou staví návěstidlo 120 na stůj a dává pokyn k přípravě vlakové cesty pro kolej 6. Následně lokomotiva zastavuje na izolovaném úseku. Vlak na koleji 6 čeká na povolení jízdy návěstidla 102 a stejným postupem se cyklicky obsluhují další koleje. K popisu činnosti skrytého nádraží je třeba doplnit fakta:

  • Žádné návěstidlo nemusí být fyzicky na kolejišti.
  • Staniční koleje skrytého nádraží jsou obsluhovány cyklicky. To ovšem neznamená, že jezdí za sebou stále stejné soupravy vlaků. K zamíchání souprav vlaků dochází na hlavním nádraží, jehož koleje jsou obsluhovány náhodně.
  • Ve skrytém nádraží jsou vždy tři až čtyři soupravy vlaků. Nemůže jich být méně, protože přijíždějící souprava vlaku staví vlakovou cestu pro následující kolej.
  • Pozůstatkem původního analogu je zastavení lokomotivy na izolovaném úseku. Stojící lokomotiva tak zbytečně nezatěžuje digitální centrálu odběrem a minimalizuje se nebezpečí kolize ve skrytém nádraží např. průjezdem senzoru pro zastavení (viz FAQ). Pomocné relé návěstidla odjezdového skupinového návěstidla podle připravené vlakové cesty napájí izolovaný úsek příslušné staniční koleje.
  • Při odjezdu ze skrytého nádraží se lokomotivy rozjíždí na rychlost nastavenou v digitální centrále. Digitální centrála posílá do kolejí stále stejné parametry i pro lokomotivy stojící na izolovaných úsecích.
  • Skryté nádraží je projížděno jedním směrem. Na dvoukolejné trati je zaveden pravostranný provoz.

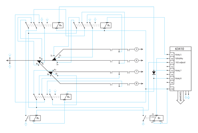
  Schéma skrytého nádraží „malého okruhu” (liché koleje hlavní dvoukolejné trati) je doplněno o traťové úseky pro vjezd a odjezd souprav vlaků. Obě zhlaví skrytého nádraží jsou zrcadlová a jsou zapojena tak, že při stavění vlakové cesty jsou přestavovány výhybky současně na obou zhlavích. Odjíždějící souprava vlaku zanechává volnou tu stejnou staniční kolej pro příjezd dalšího vlaku z širé trati. Výhybky, které se přestavují spolu tak mají stejné číslo.

Schéma skrytého nádraží „malého okruhu”

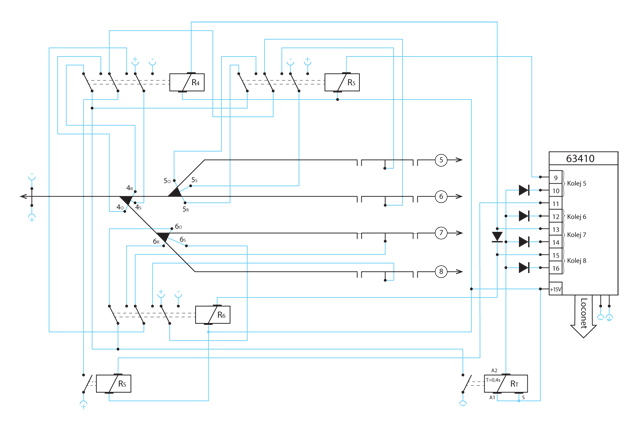
Tabulka vlakových cest. Vlakovou cestu vybavuje spínací modul 63410 a logika přestavování výhybek je řešena v analogové části pevným zadrátováním relé, které současně zajišťují napájení srdcovek. Všechny výhybky byly upraveny, plastové srdcovky byly odstraněny a nahrazeny srdcovkami sestavenými z vypilovaných kolejnic.

Vlaková cestaVýhybky 4Výhybky 5Výhybky 6
Kolej 5 Rovně Odbočka (L) -
Kolej 6 Rovně Rovně -
Kolej 7 Odbočka (R) - Odbočka (L)
Kolej 8 Odbočka (R) - Rovně

Programovací tabulka LISSY přijímače (68610 adresa 110) zajišťující krytí - vjezd do skrytého nádraží. Tento vjezdový oddíl bude později provázaný s ostatními oddíly na oválu „malého okruhu” a přes LNCV 7 a 8 nám umožňuje logicky svázat řízení předchozích oddílů. V tabulce jsou uvedeny pouze příkazy související s automatikou skrytého nádraží.

LNCV HodnotaVýznam
0 110 Adresa modulu
2 7 (8) Traťový oddíl (nebo vjezdový manažer pro hlavní nádraží)
6 110 Sleduje návěstidlo 110
7 102|0 Návěstidlo 102 na stůj - kolej ve skrytém nádraží je volná
8 120|1 Návěstidlo 120 na volno - povolen vjezd na volnou kolej skrytého nádraží

Programovací tabulka LISSY přijímače (68610 adresa 120) krytí vjezdu do skryté nádraží. Tento oddíl bude později provázaný s ostatními oddíly na oválu „malého okruhu” a sleduje návěstidlo 120 řízené od automatiky skrytého nádraží.

LNCV HodnotaVýznam
0 120 Adresa modulu
2 7 (10) Traťový oddíl (nebo odjezdový manažer s náhodným výběrem kolejí hlavního nádraží)
6 120 Sleduje návěstidlo 120

Programovací tabulka LISSY přijímače (68610 adresa 13) pro obsluhu staničních kolejí 5 a 6. Jeden LISSY přijímač ve spínacím režimu s nezávislými senzory obsluhuje dvě koleje.

LNCV HodnotaVýznam
0 13 Adresa modulu a zároveň adresa prvního senzoru
1 113 Adresa druhého senzoru
2 3 Spínání jednotlivými nezávislými senzory
Stanovení adres lokomotiv oprávněných vykonávat příkazy
80 20000 1. senzor - adresy lokomotiv ==> všechny lokomotivy (všeobecná adresa)
81 20000 1. senzor - adresy lokomotiv ==> všechny lokomotivy (všeobecná adresa)
82 20000 1. senzor - adresy lokomotiv ==> všechny lokomotivy (všeobecná adresa)
83 20000 1. senzor - adresy lokomotiv ==> všechny lokomotivy (všeobecná adresa)
85 20000 2. senzor - adresy lokomotiv ==> všechny lokomotivy (všeobecná adresa)
86 20000 2. senzor - adresy lokomotiv ==> všechny lokomotivy (všeobecná adresa)
87 20000 2. senzor - adresy lokomotiv ==> všechny lokomotivy (všeobecná adresa)
88 20000 2. senzor - adresy lokomotiv ==> všechny lokomotivy (všeobecná adresa)
Příkazy pro vjezd vlaku na kolej 5 a přípravu vlakové cesty pro odjezd z koleje 6
90 120|0 1. senzor - návěstidlo 120 na stůj
91 5|1 1. senzor - kolej 5 uvolnit
92 0 1. senzor - kolej 6 aktivovat (netřeba vykonávat žádný příkaz)
93 12|1 1. senzor - příkaz pro přehození přestavníků
Příkazy pro vjezd vlaku na kolej 6 a přípravu vlakové cesty pro odjezd z koleje 7
95 120|0 2. senzor - návěstidlo 120 na stůj
96 0 2. senzor - kolej 6 uvolnit (netřeba vykonávat žádný příkaz)
97 7|0 2. senzor - kolej 7 aktivovat
98 12|1 2. senzor - příkaz pro přehození přestavníků

Programovací tabulka LISSY přijímače (68610 adresa 14) pro obsluhu staničních kolejí 7 a 8. Jeden LISSY přijímač ve spínacím režimu s nezávislými senzory obsluhuje dvě koleje.

LNCV HodnotaVýznam
0 14 Adresa modulu a zároveň adresa prvního senzoru
1 114 Adresa druhého senzoru
2 3 Spínání jednotlivými nezávislými senzory
Stanovení adres lokomotiv oprávněných vykonávat příkazy
80 20000 1. senzor - adresy lokomotiv ==> všechny lokomotivy (všeobecná adresa)
81 20000 1. senzor - adresy lokomotiv ==> všechny lokomotivy (všeobecná adresa)
82 20000 1. senzor - adresy lokomotiv ==> všechny lokomotivy (všeobecná adresa)
83 20000 1. senzor - adresy lokomotiv ==> všechny lokomotivy (všeobecná adresa)
85 20000 2. senzor - adresy lokomotiv ==> všechny lokomotivy (všeobecná adresa)
86 20000 2. senzor - adresy lokomotiv ==> všechny lokomotivy (všeobecná adresa)
87 20000 2. senzor - adresy lokomotiv ==> všechny lokomotivy (všeobecná adresa)
88 20000 2. senzor - adresy lokomotiv ==> všechny lokomotivy (všeobecná adresa)
Příkazy pro vjezd vlaku na kolej 6 a přípravu vlakové cesty pro odjezd z koleje 7
90 120|0 1. senzor - návěstidlo 120 na stůj
91 7|1 1. senzor - kolej 7 uvolnit
92 8|0 1. senzor - kolej 8 aktivovat
93 12|1 1. senzor - příkaz pro přehození přestavníků
Příkazy pro vjezd vlaku na kolej 8 a přípravu vlakové cesty pro odjezd z koleje 5
95 120|0 2. senzor - návěstidlo 120 na stůj
96 8|1 2. senzor - kolej 8 uvolnit
97 5|0 2. senzor - kolej 5 aktivovat
98 12|1 2. senzor - příkaz pro přehození přestavníků

Programovací tabulka spínacího modulu (63410 adresa 3) pro obsluhu analogových prvků (relé napájení srdcovek a přestavníků výhybek). Výjimkou je vjezd na kolej 6, kdy není třeba spínat žádná relé (výchozí stav je - všechna relé uvolněna) a spínají se pouze přestavníky. Navíc je však nutno použít dva výstupy - první ke generování impulzu pro přehození přestavníků a druhý pro spínání pomocného relé návěstidla 102.

VýstupLNCVHodnotaVýznam
Konfigurace výstupů 9 až 16 pro zapnutí
9 29 5|0 Kolej 5 - přitažení relé pro napájení srdcovek výhybek
10 30 12|1 Přehození přestavníků výhybek
11 31 102|1 Návěstidlo 102 na volno
13 33 7|0 Kolej 7 - přitažení relé pro napájení srdcovek výhybek
15 35 8|0 Kolej 8 - přitažení relé pro napájení srdcovek výhybek
Konfigurace výstupů 9 až 16 pro vypnutí
9 49 5|1 Kolej 5 - uvolnění relé pro napájení srdcovek výhybek
10 50 - Přehození přestavníků výhybek - vypnutí se nedefinuje
11 51 102|0 Návěstidlo 102 na stůj
13 53 7|1 Kolej 7 - uvolnění relé pro napájení srdcovek výhybek
15 55 7|1 Kolej 8 - uvolnění relé pro napájení srdcovek výhybek
Konfigurace časových spínacích poměrů výstupů 9 až 16
9 69 0 Kolej 5 - trvalé sepnutí
10 70 200 Přehození přestavníků výhybek - impulz 1s (20 x 0,05s)
11 71 0 Návěstidlo 102 - trvalé sepnutí
13 73 0 Kolej 7 - trvalé sepnutí
15 75 0 Kolej 8 - trvalé sepnutí

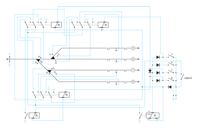
  Schéma analogové části skrytého nádraží „malého okruhu” (liché koleje hlavní dvoukolejné trati) vychází z původního zapojení bez použití digitálních prvků. Ovládání bylo řešeno pomocí spínačů, které vybavují jednotlivé vlakové cesty. Výkonnými prvky jsou relé, která spínají přestavníky výhybek a zároveň přepínají polaritu v srdcovkách. Ve skrytém nádraží jsou použity povrchové elektrické přestavníky Tillig 83531 (pro pravé výhybky) a 83532 (pro levé výhybky). Ve schématu je zobrazeno zapojení výhybek jednoho zhlaví. Elektrické přestavníky druhého zhlaví jsou zapojeny paralelně, čili výhybky se přepínají společně na obou zhlavích. Každá výhybka je vybavována vlastním relé R4..R6. Relé RS aktivuje jeden z izolovaných úseků a umožňuje tak odjezd soupravy vlaku ven ze skrytého nádraží. Relé RT generuje impuls pro přestavení výhybek. Elektrické přestavníky mají sice koncové vypínání, ale použití impulzu pro přestavení místo trvalého napájení se minimalizuje nebezpečí přehřátí přestavníku s následkem spálení např. při mechanickém selhání.

Elektrické zapojení skrytého nádraží „malého okruhu”

  Při digitalizaci byl blok spínačů jednoduše nahrazen digitálním spínacím modulem 63410. Každý spínač byl nahrazen dvojicí kontaktů na spínacím modulu 63410. První kontakt přepnul relé výhybek R4..R6 a následně druhý kontakt dal pokyn k přehození přestavníků. Postupné vyvolání přepínacích příkazů provádí prijímače LISSY 68610 (13 a 14), které v režimu spínání jednotlivými nezávislými senzory umožňují vykonání až 5 příkazů uložených v LCNV 90..94 a 95..99 pro každý senzor.

Elektrické zapojení skrytého nádraží „malého okruhu”

  Po odladění funkcionality celého řešení tak, aby se digitalizované zapojení chovalo stejně jako u původního analogového, bylo možné provést další optimalizaci zapojení. Pro přehození přestavníků postačí jediný kontakt s příkazem, který je začleněn do volání přepínacích příkazů přijímačů LISSY 68610 (13 a 14). Pro kolej 6 není třeba vybavovat relé R4..R6. Kontakty těchto relé v klidovém stavu volí rovný směr na kolej 6. Pro čitelnost programovacích tabulek je kolej 6 uvedena, ale bez příkazu. Celý uvedený postup oživení skrytého nádraží je spíše jako ukázka možností přechodu od čistě analogového zapojení k digitálnímu. Určitě by se dala ukázat i jiná variantní řešení.

Elektrické zapojení skrytého nádraží „malého okruhu”



Další informační zdroje:
  • Schéma skrytého nádraží „malého okruhu” dvoukolejné trati ve formátu pdf a jpg
  • Schéma elektrického zapojení skrytého nádraží „malého okruhu” dvoukolejné trati ve formátu pdf a jpg


WebArchiv WebArchiv


WebArchiv - archiv českého webu

Licence Licence


Licence Creative Commons

Kontakt


@vlacky.com

Info Info

  • Aktualizováno: 1.4.2015
  • Celkem přečteno: 10568x
  • Naposledy: dnes v 05:13

Datové zdroje Datové zdroje


Datový zdroj YouTube
Datový zdroj PeerTube

Ikona webu Ikona webu


ikona webu

Kooperace


partnerský web www.TTkatalog.cz partnerský web www.MaleModely.cz

Reportáž Poslední navštívené reportáže