film_1
film_2
film_3
film_4
film_5
Aktualizováno: 19. 5. 2026 
 
 





TOPlist  
DE  EN  PL

Automatika hlavního nádraží „malého okruhu“ dvoukolejné trati

Jednoduchá automatika pro cyklickou obsluhu staničních kolejí



Hlavní nádraží „malého okruhu”   Na „malém okruhu“ jsou na hlavním nádraží tři průjezdné dopravní koleje liché skupiny - 1, 3 a 5. Vyzkoušejme si naprogramovat velmi jednoduchou automatiku pro střídání vlakových souprav bez dalších návazností na přilehlé traťové úseky. Pro programování obsluhy staničních kolejí nebudeme využívat pokročilejších funkcí „Vjezdového manažeru” a „Odjezdového manažeru”. Vždy jedna staniční kolej bude volná a připravená pro vjezd soupravy vlaku. Po příjezdu vlaku na volnou dopravní kolej po přejetí čidel přijímače LISSY 68610 bude vyvolána naprogramovaná sekvence, která postaví vlakovou cestu pro soupravu na vedlejší koleji. Předpokládejme, že staniční koleje budou obsluhovány cyklicky v pořadí 1 → 3 → 5 a zase znovu na začátek cyklu → 1.

  Schéma hlavního nádraží „malého okruhu”, lichá skupina kolejí. Ve stanici jsou obsazeny staniční koleje 3 a 5 a je připravena vlaková cesta pro vjezd vlaku na staniční kolej 1.

Schéma hlavního nádraží „malého okruhu”

  Ze skrytého nádraží je na trať vypraven vlak „VLAK 1“.

Schéma hlavního nádraží „malého okruhu”

  Vlak „VLAK 1“ vjíždí na volnou staniční kolej 1 a přejetím čidel přijímače LISSY 68610 obdrží příkaz návěstidla 111 k zastavení. Zároveň je přejetím čidel přijímače LISSY 68610 spuštěna sekvence stavící vlakovou cestu pro příjezd na kolej 3, pro odjezd z koleje 3 a postavení odjezdového návěstidla 113 pro povolení odjezdu vlaku „VLAK 2“ na trať.

Schéma hlavního nádraží „malého okruhu”

  Vlak jede po trati do skrytého nádraží a na hlavním nádraží je volná staniční kolej 3 pro příjezd dalšího vlaku. Ten bude ze skrytého nádraží vypraven automaticky po příjezdu vlaku „VLAK 2” do skrytého nádraží.

Schéma hlavního nádraží „malého okruhu”

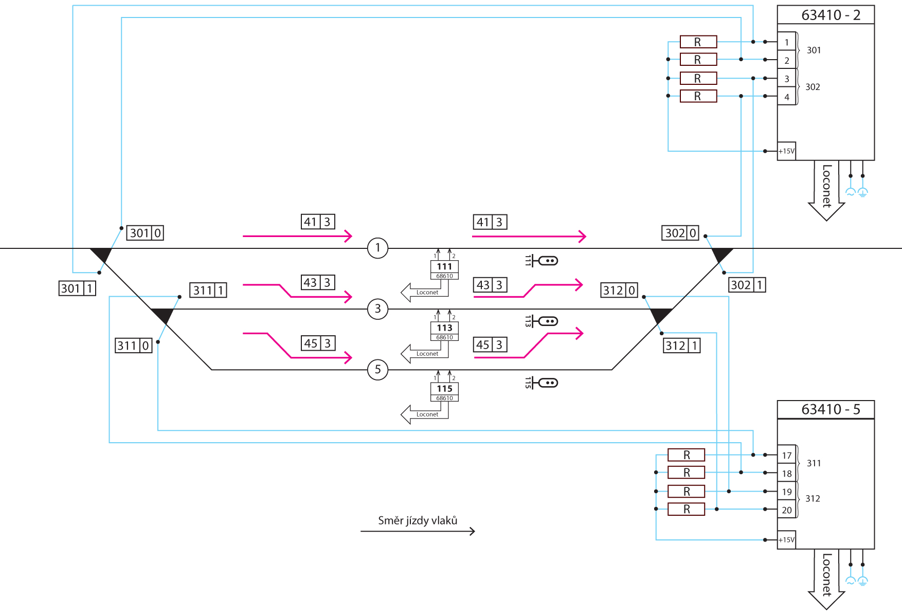
  Obsluhu automatiky na staničních kolejích zajistí přijímače LISSY 68610 s LocoNet adresami 11x, kde x je číslo staniční koleje. U každé staniční koleje je odjezdové návěstidlo s adresou 11x, kde opět x je číslo staniční koleje. Návěstidlo nemusí být fyzicky na kolejišti. Z pohledu programování modulu LISSY 68610 se jedná o virtuální prvek. Ve schematu jsou ještě uvedeny adresy výhybek, které potřebujeme vědět při naprogramování vlakových cest pro každou dopravní koelej.

Schéma hlavního nádraží „malého okruhu”

  V detailním schématu jsou doplněny adresy vlakových cest pro vjezd na dopravní kolej a zároveň odjezd z dopravní koleje. Jednou vlakovou cestou se tedy v sekvenci výhybky na vjedovém zhlaví, potom výhybky na odjezdovém zhlaví. Vlakové cesty jsou podle dopravních kolejí očíslovány 4x, kde x je číslo dopravní koleje, a jsou paměti centrály vyvolány s příznakem 3, tedy že se jedná o vlakovou cestu. Vlakové cesty mohou být uloženy v centrále Intellibox nebo v pultu IB-switch. Výhybky jsou mechanicky ovládány elektromotorickými přestavníky (Tillig 86112) s jedním přepínacím kontaktem, který je využitý pro napájení srdcovky. Přestavníky jsou řízeny spínacím modulem 63410. Každá výhybka má svoji adresu volanou s příznakem 0 (rot) nebo 1 (grün) pro změnu směru. Ve schematu je adresování zobrazeno a budeme jej potřebovat pro naprogramování vlakových cest.

Schéma hlavního nádraží „malého okruhu”

Programovací tabulka přijímače LISSY 68610, adresa 111 pro staniční kolej 1. Přijímač je programován pro funkci „Traťový oddíl bez hlášení stavu oddílu”:

LNCV HodnotaVýznam
0 111 Adresa přijímače LISSY 68610
2 7 funkce „Traťový oddíl bez hlášení stavu oddílu
5 1 Doba mezi postavením vlakové cesty a odjezdem vlaku (1s)
6 111 Vlak na staniční koleji 1 sleduje návěstidlo 111
7 43|3 Vlaková cesta 43 (pro staniční kolej 3) s příznakem 3 (že se jedná o vlakovou cestu)
1591 : vysílán předávací protokol Uhlenbrock
8 : uložení provozních stavů při odpojení napájení

Programovací tabulka přijímače LISSY 68610, adresa 113 pro staniční kolej 3. Přijímač je programován pro funkci „Traťový oddíl bez hlášení stavu oddílu”:

LNCV HodnotaVýznam
0 113 Adresa přijímače LISSY 68610
2 7 funkce „Traťový oddíl bez hlášení stavu oddílu
5 1 Doba mezi postavením vlakové cesty a odjezdem vlaku (1s)
6 113 Vlak na staniční koleji 3 sleduje návěstidlo 113
7 45|3 Vlaková cesta 45 (pro staniční kolej 5) s příznakem 3 (že se jedná o vlakovou cestu)
1591 : vysílán předávací protokol Uhlenbrock
8 : uložení provozních stavů při odpojení napájení

Programovací tabulka přijímače LISSY 68610, adresa 115 pro staniční kolej 5. Přijímač je programován pro funkci „Traťový oddíl bez hlášení stavu oddílu”:

LNCV HodnotaVýznam
0 115 Adresa přijímače LISSY 68610
2 7 funkce „Traťový oddíl bez hlášení stavu oddílu
5 1 Doba mezi postavením vlakové cesty a odjezdem vlaku (1s)
6 115 Vlak na staniční koleji 5 sleduje návěstidlo 115
7 41|3 Vlaková cesta 41 (pro staniční kolej 1) s příznakem 3 (že se jedná o vlakovou cestu)
1591 : vysílán předávací protokol Uhlenbrock
8 : uložení provozních stavů při odpojení napájení

Tabulka vlakových cest pro staniční koleje 1, 3 a 5. Jak již bylo zmíněno, vlakové cesty jsou uloženy v Intelliboxu nebo v pultu IB-switch.

Vlaková cestaPříkazyVýznam
41 Vlaková cesta pro celou staniční kolej 1
301|0 Vjezdové zhlaví - výhybka 301-0 (rovně)
302|0 Odjezdové zhlaví - výhybka 302-0 (rovně)
111|1 Odjezdové návestidlo 111 je postaveno na volno s příznakem 1 (grün)
PAUSE 5 Prodleva 5s
111|0 Odjezdové návestidlo 111 je postaveno na stůj s příznakem 0 (rot)
43 Vlaková cesta pro celou staniční kolej 3
301|1 Vjezdové zhlaví - výhybka 301-1 (do odbočky)
311|1 Vjezdové zhlaví - výhybka 311-1 (do odbočky)
312|0 Odjezdové zhlaví - výhybka 312-0 (do odbočky)
302|1 Odjezdové zhlaví - výhybka 302-1 (do odbočky)
113|1 Odjezdové návestidlo 113 je postaveno na volno s příznakem 1 (grün)
PAUSE 5 Prodleva 5s
113|0 Odjezdové návestidlo 113 je postaveno na stůj s příznakem 0 (rot)
53 Vlaková cesta pro celou staniční kolej 5
301|1 Vjezdové zhlaví - výhybka 301-1 (do odbočky)
311|0 Vjezdové zhlaví - výhybka 311-0 (rovně)
312|1 Odjezdové zhlaví - výhybka 312-1 (rovně)
302|1 Odjezdové zhlaví - výhybka 302-1 (do odbočky)
115|1 Odjezdové návestidlo 115 je postaveno na volno s příznakem 1 (grün)
PAUSE 5 Prodleva 5s
115|0 Odjezdové návestidlo 115 je postaveno na stůj s příznakem 0 (rot)

Programovací tabulka spínacího modulu (63410 adresa 2) pro obsluhu elektromotorických přestavníků:

LNCV HodnotaVýznam
Konfigurace výstupů 1 až 4 pro zapnutí
21 301|1 Výhybka 301 - rovně voláno s příznakem 1 (grün)
22 301|0 Výhybka 301 - do odbočky voláno s příznakem 0 (rot)
23 302|1 Výhybka 302 - do odbočky voláno s příznakem 1 (grün)
24 302|0 Výhybka 302 - rovně voláno s příznakem 0 (rot)
Konfigurace výstupů 1 až 4 pro vypnutí
41 - Výhybka 301 - vypnutí se nedefinuje
42 - Výhybka 301 - vypnutí se nedefinuje
43 - Výhybka 302 - vypnutí se nedefinuje
44 - Výhybka 302 - vypnutí se nedefinuje
Konfigurace časových spínacích poměrů výstupů 1 až 4
61 200 Výhybka 301 - impulz 1s (20 x 0,05s)
62 200 Výhybka 301 - impulz 1s (20 x 0,05s)
63 200 Výhybka 302 - impulz 1s (20 x 0,05s)
64 200 Výhybka 302 - impulz 1s (20 x 0,05s)

Programovací tabulka spínacího modulu (63410 adresa 5) pro obsluhu elektromotorických přestavníků:

LNCV HodnotaVýznam
Konfigurace výstupů 17 až 20 pro zapnutí
37 311|0 Výhybka 311 - rovně voláno s příznakem 0 (rot)
38 311|1 Výhybka 311 - do odbočky voláno s příznakem 1 (grün)
39 312|0 Výhybka 312 - do odbočky voláno s příznakem 0 (rot)
40 312|1 Výhybka 312 - rovně voláno s příznakem 1 (grün)
Konfigurace výstupů 17 až 20 pro vypnutí
57 - Výhybka 311 - vypnutí se nedefinuje
58 - Výhybka 311 - vypnutí se nedefinuje
59 - Výhybka 312 - vypnutí se nedefinuje
60 - Výhybka 312 - vypnutí se nedefinuje
Konfigurace časových spínacích poměrů výstupů 17 až 20
77 200 Výhybka 311 - impulz 1s (20 x 0,05s)
78 200 Výhybka 311 - impulz 1s (20 x 0,05s)
79 200 Výhybka 312 - impulz 1s (20 x 0,05s)
80 200 Výhybka 312 - impulz 1s (20 x 0,05s)

Poznámky k realizaci:
  • Před programováním je vhodné vynulovat přijímače LISSY 68610 příkazem LCNV2=98. Tím dojde vynulování všech LCNV přijímače kromě LCNV 0 a 1 (adresa přijímače).
  • Vlakové cesty 41, 43 a 45 lze naprogramovat mnoha dalšími způsoby, např. pro rychlejší vyklizení staniční koleje by se nabízela varianta nejdříve přestavit výhybky na odjezdovém zhlaví, postavit návěstidlo do polohy „volno“ pro odjezd vlaku, následně přestavit výhybky na vjezdovém zhlaví a odjezdové návěstidlo přestavit do polohy „stůj“.
  • V programovacích tabulkách či vlakových cestách je použita mnemotechnická pomůcka pro lepší orientaci v příkazech. Příkazy určené ke spínání jsou zakončeny příznakem xxx|0 pro volbu 0, stůj (rot) nebo xxx|1 pro volbu 1, volno (grün). Pokud je takový příkaz zakončen xxx|3, jedná se o volání vlakové cesty xxx z Intelliboxu nebo z pultu IB-switch.


Další informační zdroje:

 

WebArchiv WebArchiv


WebArchiv - archiv českého webu

Licence Licence


Licence Creative Commons

Kontakt


@vlacky.com

Info Info

  • Aktualizováno: 22.2.2019
  • Celkem přečteno: 4125x
  • Naposledy: dnes v 01:46

Datové zdroje Datové zdroje


Datový zdroj YouTube
Datový zdroj PeerTube

Ikona webu Ikona webu


ikona webu

Kooperace


partnerský web www.TTkatalog.cz partnerský web www.MaleModely.cz

Reportáž Poslední navštívené reportáže